产品特点
-红外线调制型光电检测,性能稳定,响应速度快,抗冲击,耐振动,干扰小,超长寿命。
-漫反射型,回归反射型及对射型三大类型近百种规格可选。
-检测距离范围广,从3-100mm,以适用不同使用要求,圆柱型(M8/M18/M30)方型等多种尺寸可选。
-连接方式有电缆型及航空插座,分为2线,3线,4线电缆型,3线航空插座,4线航空插座型。
-可检测各种不同的物体,如:玻璃,铁,塑料制品,木材,液体等.根据光的反射与接收进行检测。
-可广泛适用于机械,化工,造纸,轻工等行业作限位,定位,计数,检测,测速等其他工业自动化感测用统。
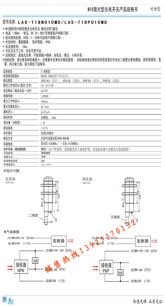
计数参数:
-工作电压:10~30V DC或交流90-260V AC/24~260V AC
-检测距离:对射型Sn=10M ,回归反射型Sn=3M,漫反射型Sn=30cm
-感应方式:红外线感应
-开关保护:有极性接反保护,短路保护。
-指向角:<3~20度
-动作显示:红色LED指示
-环境照度:日光灯<3000LX/日光<10000LX
-响应时间:漫反射型<3ms/对射型<5ms
-标准检测体:白色A4纸
-工作环境温度:-25℃~80℃
-防护等级:IP65
-外壳材料:黄铜镀镍,防油,防水,防碱性物质)
-外型尺寸:M18*55 mm
-连接线:尾部出线,¢12*0.16MM,线长2米
二.接线图




