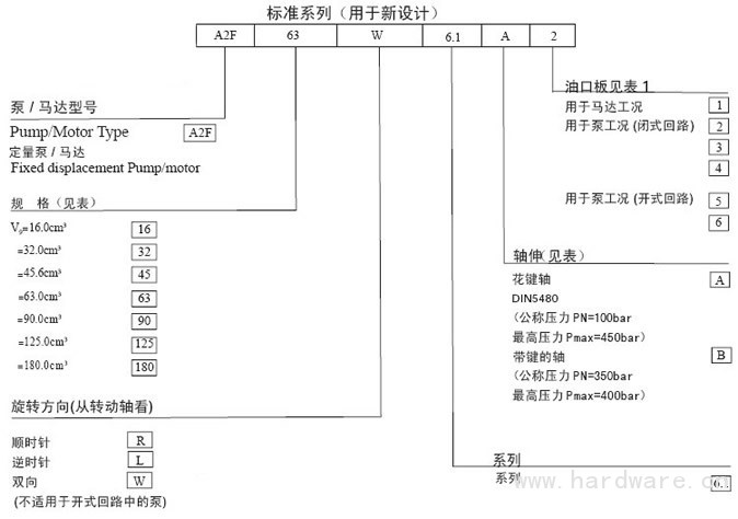
A2F6.1定量柱塞泵弯轴结构的轴向锥柱塞,具有固定排量,在开式或闭式回路中用作静液传动的泵或马达
定量柱塞泵当作为泵工作时,流量与驱动转速和排量成正比。
定量柱塞泵当作为马达工作时,输出转速与流量成正比而与排量成反比。
定量柱塞泵输出扭矩随高压侧与低压侧之间的压降而加大。
结构特点:
倾角大的元件:所有规格都有相同的40°倾角,给出很高的功率,重量比较小的尺寸,Z佳的效率和经济的结构。
带有两个密封圈的整体锥形柱塞,专利的夫万向轴缸驱动。
易于安装和维修的轴承结构,提供较长的寿命。
新等级的现代设计标准系列。
特制修改系列具有1-4系列相同的液压连接口、法兰和驱动轴规格。A2F63L6.1Z1 A2F80L6.1Z1 A2F90L6.1Z1 A2F107L6.1Z1 A2F125L6.1Z1 A2F160L6.1Z1 A2F180L6.1Z1
A2F63W6.1Z1 A2F80W6.1Z1 A2F90W6.1Z1 A2F107W6.1Z1 A2F125W6.1Z1 A2F160W6.1Z1 A2F180W6.1Z1
A2F63R6.1P1 A2F80R6.1P1 A2F90R6.1P1 A2F107R6.1P1 A2F125R6.1P1 A2F160R6.1P1 A2F180R6.1P1
A2F63L6.1P1 A2F80L6.1P1 A2F90L6.1P1 A2F107L6.1P1 A2F125L6.1P1 A2F160L6.1P1 A2F180L6.1P1
A2F63W6.1P1 A2F80W6.1P1 A2F90W6.1P1 A2F107W6.1P1 A2F125W6.1P1 A2F160W6.1P1 A2F180W6.1P1
A2F63R6.1Z2 A2F80R6.1Z2 A2F90R6.1Z2 A2F107R6.1Z2 A2F125R6.1Z2 A2F160R6.1Z2 A2F180R6.1Z2
A2F63L6.1Z2 A2F80L6.1Z2 A2F90L6.1Z2 A2F107L6.1Z2 A2F125L6.1Z2 A2F160L6.1Z2 A2F180L6.1Z2
A2F63W6.1Z2 A2F80W6.1Z2 A2F90W6.1Z2 A2F107W6.1Z2 A2F125W6.1Z2 A2F160W6.1Z2 A2F180W6.1Z2
A2F63R6.1P2 A2F80R6.1P2 A2F90R6.1P2 A2F107R6.1P2 A2F125R6.1P2 A2F160R6.1P2 A2F180R6.1P2
A2F63L6.1P2 A2F80L6.1P2 A2F90L6.1P2 A2F107L6.1P2 A2F125L6.1P2 A2F160L6.1P2 A2F180L6.1P2
A2F63W6.1P2 A2F80W6.1P2 A2F90W6.1P2 A2F107W6.1P2 A2F125W6.1P2 A2F160W6.1P2 A2F180W6.1P2
A2F63R6.1Z3 A2F80R6.1Z3 A2F90R6.1Z3 A2F107R6.1Z3 A2F125R6.1Z3 A2F160R6.1Z3 A2F180R6.1Z3
A2F63L6.1Z3 A2F80L6.1Z3 A2F90L6.1Z3 A2F107L6.1Z3 A2F125L6.1Z3 A2F160L6.1Z3 A2F180L6.1Z3
A2F63W6.1Z3 A2F80W6.1Z3 A2F90W6.1Z3 A2F107W6.1Z3 A2F125W6.1Z3 A2F160W6.1Z3 A2F180W6.1Z3
A2F63R6.1P3 A2F80R6.1P3 A2F90R6.1P3 A2F107R6.1P3 A2F125R6.1P3 A2F160R6.1P3 A2F180R6.1P3
A2F63L6.1P3 A2F80L6.1P3 A2F90L6.1P3 A2F107L6.1P3 A2F125L6.1P3 A2F160L6.1P3 A2F180L6.1P3
A2F63W6.1P3 A2F80W6.1P3 A2F90W6.1P3 A2F107W6.1P3 A2F125W6.1P3 A2F160W6.1P3 A2F180W6.1P3
A2F63R6.1Z4 A2F80R6.1Z4 A2F90R6.1Z4 A2F107R6.1Z4 A2F125R6.1Z4 A2F160R6.1Z4 A2F180R6.1Z4
A2F63L6.1Z4 A2F80L6.1Z4 A2F90L6.1Z4 A2F107L6.1Z4 A2F125L6.1Z4 A2F160L6.1Z4 A2F180L6.1Z4
A2F63W6.1Z4 A2F80W6.1Z4 A2F90W6.1Z4 A2F107W6.1Z4 A2F125W6.1Z4 A2F160W6.1Z4 A2F180W6.1Z4
A2F63R6.1P4 A2F80R6.1P4 A2F90R6.1P4 A2F107R6.1P4 A2F125R6.1P4 A2F160R6.1P4 A2F180R6.1P4
A2F63L6.1P4 A2F80L6.1P4 A2F90L6.1P4 A2F107L6.1P4 A2F125L6.1P4 A2F160L6.1P4 A2F180L6.1P4
