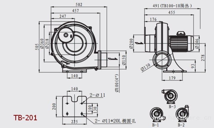
产品名称:TB透浦式中压风机,TB-201
产品介绍:
品牌:全风
型号:TB透浦式鼓风机系列(TB-201)
类型:中压鼓风机
气流方向:离心式风机
材质:铝合金风机
风机压力:中压风机
性能:低噪音风机
用途:用于工业
重量:23(Kg)
功率:0.75(KW)
电压:220V/380V (单/三相)
规格:455*502*505(MM)
注意:以下参数值频率(Hz)值为 50/60 得出,中国大陆电流频率一般为 50Hz
风量(吐出)Air Flow(max):16/20(m3/min)
静压(吐出)Presure(max):170/230(mmH2O)
产品特点:
高压、大风量、低噪音、轻量化
采用铝合金材质,大幅降低重量,达到轻量化的目的。
马达为I.E.C设计(1HP以上),全闭外扇型铝框马达,特殊轴心设计,可适合长时间使用。
特殊叶片设计,压力高,风量大,噪音低,寿命长。
特殊风量调节风门,风量控制稳定性高。
样式种类齐全,库存多,交货迅速。
产品技术参数表:

产品尺寸图:




