产品名称:PF直叶式中压风机
产品介绍:
品牌:台湾全风
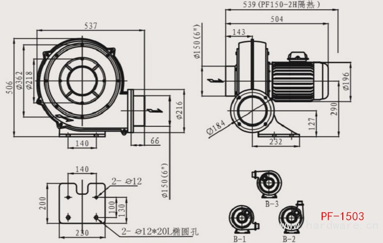
型号:PF直叶式系列(PF-1503)
类型:中压鼓风机
气流方向:离心式风机
材质:铝合金风机
风机压力:中压风机
性能:压力高、低噪音、大风量
用途:用于工业
重量:36(Kg)
功率:2.2(KW)
外形尺寸:532*537*506mm
产品特点:
1.高压-大风量-低噪音-轻量化
2.样式种类齐全,库存多,交货迅速。
3.特殊叶片设计,压力高-大风量-噪音低-寿命长
4.采用铝合金材质,大幅降低重量,达到轻量化的目的
5.马达为I.E.C设计(1HP以上),全闭外扇型铝框马达,特殊轴心设计,可适合长时间使用。
产品技术参数:

产品尺寸图:

