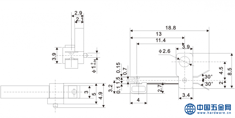
2、作晃动叶片开关用:
叶片开关本身是有方向性的,产品晃动时,滚珠在管体内来回滚动产生开关的信号,从而触发电路。这种IC设计一般要求来回触发两次才只产生一次动作,叶片开关不管怎样放置在常通或常开状态,产品并不触发。叶片开关这种使用方式对开关要求不是非常高,一般单珠开关如:SW-200就可以了
3、作角度变化感应用:
叶片开关这种使用方式对开关要求较高,一般要求比如向一方向倾15度产品触发动作,有的客人在使用叶片开关时让它是常通的,向另一方向倾斜时断开产生触发动作,叶片开关这种装配Z不可取,因为叶片开关在常通状态并不象水银开关那样接触导电那么稳定,受移动,打雷等因素都会有闪断动作,容易产生误触发。而安装时应让叶片开关是断开状态,倾斜导通才触发动作,叶片开关这样使用开关产品才会显得性能更稳定,且使用寿命也更长。
叶片开关适用于,玩具,电动玩具,玩具公仔,防盗器,家用电器,手机数码,电子通讯,电子游戏机,汽车防盗,智能化系统。





