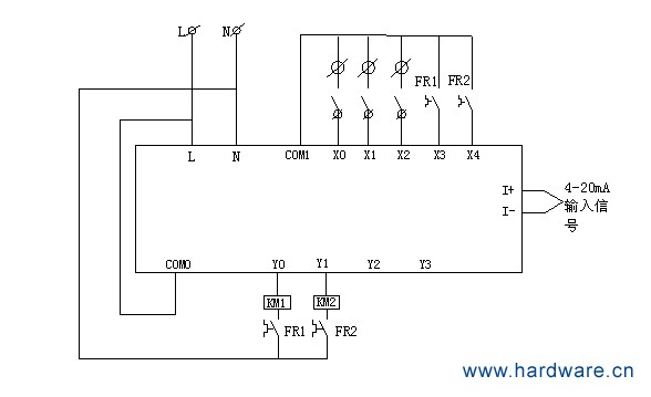
•有五个输入点:高、中、低液位和两个故障信号;
•有四个输出点:控制水泵运行和输出运行信号,
继电器触点带负载能力为250V2A;
•程序具有自动除锈功能;水泵的轮流工作时间可调;故障自动切换;液位信号延时等功能,是普通电路做的控制箱没有的功能
•液位检测采用低压电采样,避免强电信号对液位开关触点的氧化作用,有效延长浮球使用寿命,有效保证设备整体的可靠性。



|
联系方式
加关注0
常州市雄华通态自动化设备有限公司企业会员第14年
资料未认证
保证金未缴纳
|
||||||||||||||||||||||||||
•有五个输入点:高、中、低液位和两个故障信号;
•有四个输出点:控制水泵运行和输出运行信号,
继电器触点带负载能力为250V2A;
•程序具有自动除锈功能;水泵的轮流工作时间可调;故障自动切换;液位信号延时等功能,是普通电路做的控制箱没有的功能
•液位检测采用低压电采样,避免强电信号对液位开关触点的氧化作用,有效延长浮球使用寿命,有效保证设备整体的可靠性。



五金网 版权所有 © 1999-2023