Notice: Undefined index: comment_module in /www/wwwroot/www.hardware.cn/module/sell/show.inc.php on line 4
厂家批发不锈钢SMC机械气动手指气缸配件MHZ2-40d拨叉_其他机械及设备_其他机械设备_机械设备_供应_五金网

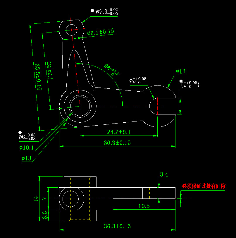
厂家批发不锈钢SMC机械气动手指气缸配件MHZ2-40d拨叉

 
 
单价 8.50 / 个对比
销量 暂无
发货 广东深圳市宝安区付款后3天内
库存 10000个起订1000个
品牌 YUSHI
MHZ2-40D 40MM
过期 长期有效
更新 2018-05-03 09:23
 
联系方式
加关注0

深圳宇石精密科技有限公司

企业会员第9年
资料未认证
保证金未缴纳
详细说明
 40MM气动拨叉采用优质SUS材料,用先进的MIM工艺成型,经多道工艺程序检测,产品尺寸精度达到±0.05mm,两个关键配合尺寸精度达到±0.02mm和+0.05mm—0.10mm。硬度:HRC40°—45°保证了产品的耐磨与韧性,更好的保证了产品的稳定性与品质。

详细尺寸图

undefined
 





undefined

undefined

undefined

品牌故事_01

品牌故事_02

品牌故事_03
 

举报收藏 0
更多>本企业其它产品
厂家批发不锈钢SMC机械气动手指气缸配件MHZ2-40d拨叉 SMC原装气动元件手指气缸配件不锈钢MHZL2-20d长拨叉
网站首页  |  隐私政策  |  关于我们  |  诚招代理  |  联系方式  |  服务条款  |  隐私政策  |  著作权与商标声明  |  会员服务  |  汇款方式  |  网站地图  |  网站留言  |  违规举报  |  浙ICP备2022009825号-2  |  浙公网安备33010502011792号
Processed in 0.106 second(s), 12 queries, Memory 4.01 M